托盘输送电动辊筒系列
设计简单,空间节省,安装便利。
扭矩大,可驱动最重达1400公斤的木托箱。(Φ60.5)
自带软启动/停止及调速功能,确保稳定运行。
描述:


图片.png


76图.png


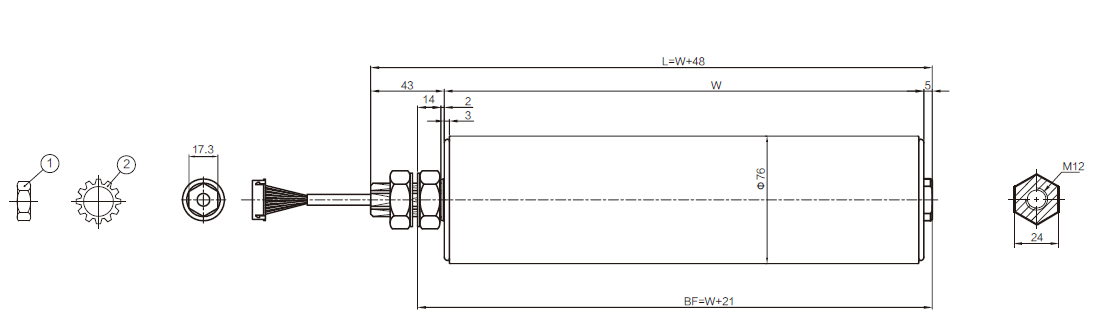
直径:76mm

速度代码

BOOST-8模式

 

速度

(m/min)

扭矩(N·m)

切向力(N)

电流(A)

额定

启动

额定

启动

额定

启动

8

1.5~11.0

10.9

49.3

287.2

1292.7

3.5

8.0

10

2.1~15.0

8.0

36.1

210.6

948.0

15

3.1~22.4

5.4

24.3

141.5

636.9

20

4.2~30.6

3.9

17.7

103.6

466.2

也可提供直径φ60.5的托盘电动辊筒


问题反馈